Publications

List of publications in reverse chronological order.

2025

  1. lakezati2025.png
    Ahmed Abdullah Omar, Zati Hakim Azizul, and Pouyan Asgharian
    In 2025 International Conference on Robotics and Artificial Intelligence (ICRAI), 2025

2022

  1. asgharian2022review.png
    Pouyan Asgharian, Adina M Panchea, and François Ferland
    Robotics, 2022

2020

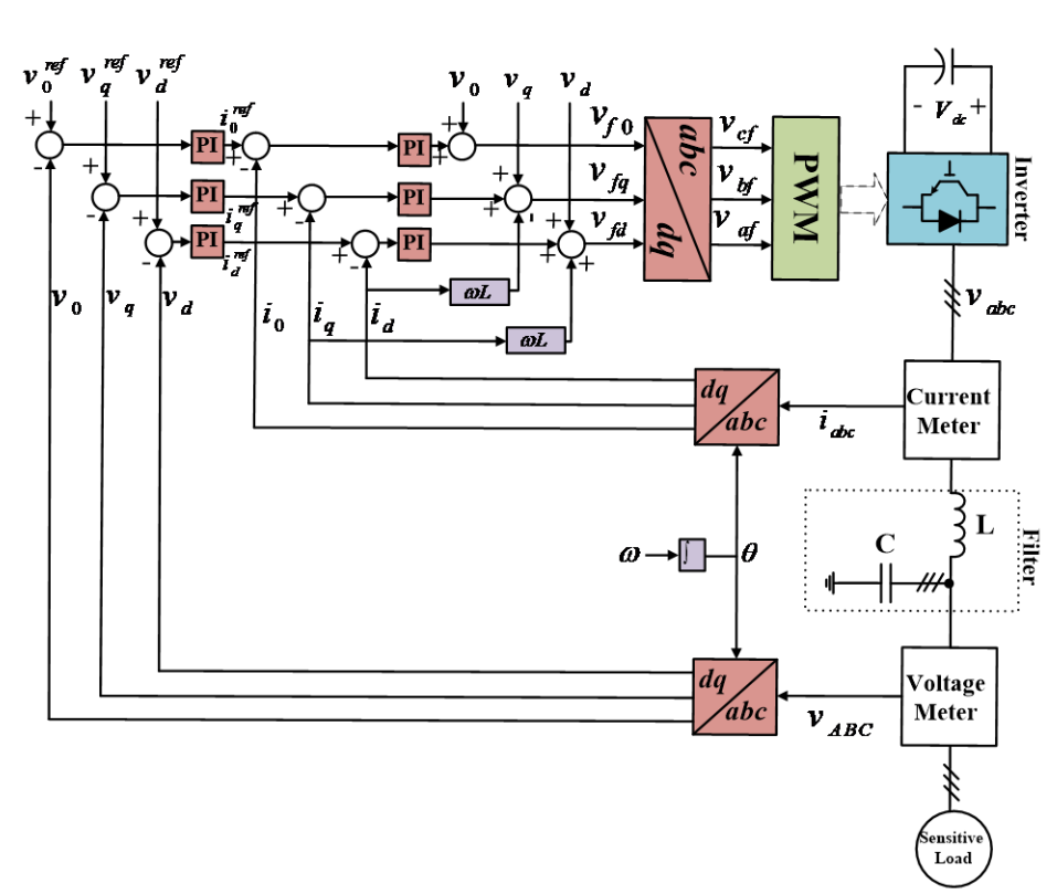
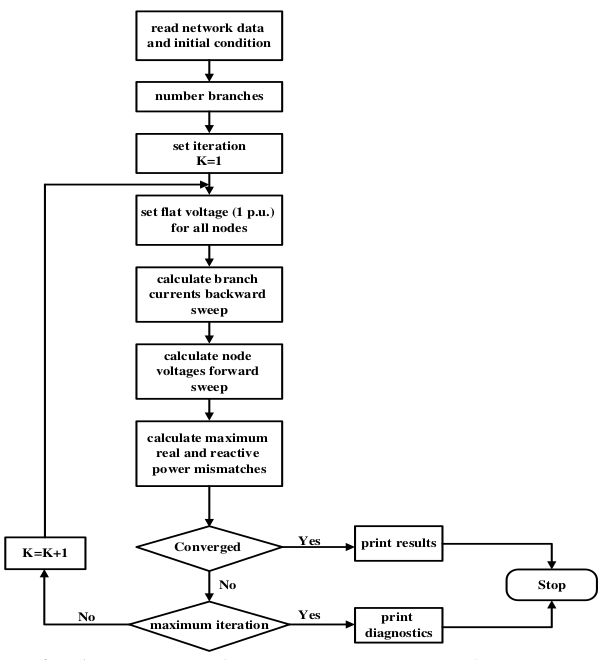
  1. asgharian2020proposed.png
    Pouyan Asgharian, and Zati Hakim Azizul
    arXiv preprint arXiv:2009.01284, 2020
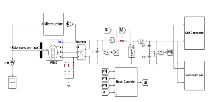
  2. asgharian2020novel.png
    Pouyan Asgharian, and Reza Noroozian
    In 2020 11th Power Electronics, Drive Systems, and Technologies Conference (PEDSTC), 2020

2019

  1. asgharian2019modelingsigma.png
    Pouyan Asgharian, and Reza Noroozian
    Sigma Journal of Engineering and Natural Sciences, 2019
  2. asgharian2019modeling.png
    Pouyan Asgharian, and Reza Noroozian
    Iranian Journal of Electrical & Electronic Engineering, 2019
  3. asgharian2019novel.png
    Pouyan Asgharian, and Reza Noroozian
    Majlesi Journal of Electrical Engineering, 2019
  4. tabasi2019optimal.png
    Mehdi Tabasi, and Pouyan Asgharian
    International Journal on Electrical Engineering & Informatics, 2019

2018

  1. znubook.png
    Pouyan Asgharian, and Reza Noroozian
    2018
  2. maalandish2018modified.png
    Mohammad Maalandish, Seyed Hossein Hosseini, Mehran Sabahi, and 1 more author
    COMPEL-The international journal for computation and mathematics in electrical and electronic engineering, 2018
  3. tosan.png
    Pouyan Asgharian, and Oveis Pourmehran
    2018

2017

  1. noroozian2017microturbine.jpg
    Reza Noroozian, Pouyan Asgharian, GB Gharehpetian, and 1 more author
    Distributed generation systems: Design, operation and grid integration, 2017
  2. 4led.png
    Pouyan Asgharian, M.R. Banaei, and Mohammad Maalandish
    In Second National Conference on Modern Research in Electrical and Computer Engineering, 2017
  3. pid.png
    Pouyan Asgharian
    In International Conference on Fundamental Research in Electrical Engineering, 2017

2016

  1. asgharian2016modeling.png
    Pouyan Asgharian, and Reza Noroozian
    In 2016 24th Iranian Conference on Electrical Engineering (ICEE), 2016
  2. asgharian2016dynamic.png
    Pouyan Asgharian, and Reza Noroozian
    In 31st international Power System Conference (PSC), 2016
  3. asghariannew.png
    Pouyan Asgharian, and Reza Noroozian
    In 1st International Conference on New Research Achievements in Electrical and Computer Engineering (ICNRAECE), 2016